E-MAIL:djcmq@163.com
 
  联系东骏
兴化市东骏石化丝网填料厂
地址:江苏兴化戴南镇青年路
网址:www.djwds.com
电话:0523-83782022
传真:0523-83987551
邮编: 225721
E-mail:djcmq@163.com
详细内容
   您现在的位置:丝网除沫器,兴化市东骏石化丝网填料厂官网,电话:13905269264 >> 公司新闻 >> 浏览详细内容  
吸附在硅酸盐表面上的水分影响固化速度和固化程度
发布时间: 2020-11-04 14:15:17 被阅览数: 792 次 来源: 丝网除沫器,兴化市东骏石化丝网填料厂官网,电话:13905269264
 
纤维吸水动力学图8-26显示了水分含量是如何影响芳纶纤维/环氧树脂层压 物压缩强度的。图5-26表明水分含量对环氧树脂和芳纶纤维层合物的层间强度的影响。在这项丝网除沫器研究中使用了不同的纤维和环氧树脂.结果表明它们都遵循水分含量降低,粘结性线性 降低的关系。
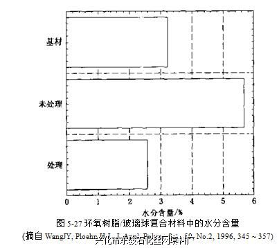
图5-27显示玻璃球/环氧树脂复合材料吸收大量的水分。玻璃球的加入使吸水量增大超 过纯基体的吸水量,而用硅烷表面处理过的玻璃球可使吸水量降低到比纯基体还要低的值。

在橡胶工业中,吸附在硅酸盐表面上的水分影响固化速度和固化程度,形成海绵状结 构。在水分固化的体系中,如聚氨酯、聚硫橡胶、硅橡胶中,水分可引起预熟化,缩短储存 期。在挤出和注塑模塑中,产品中的很多缺陷都是由填料上所含水分引起的,加工前必须确保干燥时间和干燥条件。很少被人们了解的缩边现象就是由于二氧化钛表面吸水所致

 
 

  跟此文章相关的产品
PP丝网除沫器
PP丝网除沫器
标准型丝网除沫器
标准型丝网除沫器
波浪型丝网除沫器
波浪型丝网除沫器
抽屉式丝网除沫器
抽屉式丝网除沫器

  推荐新闻
新风净化机与空气净化器的不同
全效空气净化新风系统
新风作用
在新风净化系统中的应用
新年已过,正式上班,丝网除沫器开始发货啦
PTFE/316L除沫器发货
装货装货,准备发走
丝网除沫器装一车,准备发货
新风净化机与空气净化器的不同
全效空气净化新风系统
新风作用
满满一车除沫器发货
DN5800折流板除雾器准备发货
快下雨了,抓紧时间把货发走
在新风净化系统中的应用
医用空气净化器
商用空气净化器霍尼韦尔的F95S全能商用空气净化机是一款
车载空气净化器
室内空气净化器技术规格见表9-280
典型空气净化器


版权所有:兴化市东骏石化丝网填料厂 地址:江苏泰州兴化戴南镇青年路南 邮编:225721
电话:13905269264 0523-83782022 传真:0523-83987551
E-MAIL:djcmq@163.com 网址:http://www.djwds.com
备案号:苏ICP备10048948号-3